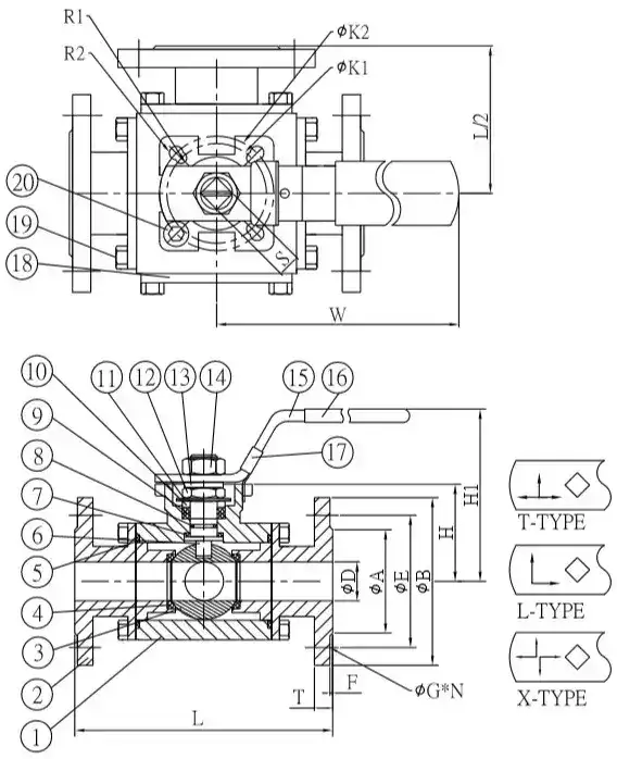
多通球閥 1/2”~ 4”
連接埠可用性:全連接埠
公稱壓力 PN16
溫度。額定值:-10℃~180℃
本體材質:EN10213、1.4408
內件材質: SS 球和閥桿
端部連接:法蘭端
閥座材質:PTFE
註:T/L/X型
ISO5211 直接安裝墊
提供三通球塞閥詳細規格、尺寸、材質表與應用資訊,適用於多種工業管路系統,支援 1/2" 至 4" 多種尺寸,歡迎洽詢禾裕鑫業專業三通球塞閥產品。
我們擁有坐標測量機等品質控制設施,以滿足客戶的要求。始終保持開放的心態,探索世界各地的技術,開發出創新產品。

|
No. |
PART NAME |
MATERIAL |
|
1 |
BODY |
ASTM A351 CF8M |
|
2 |
CAP |
ASTM A351 CF8M |
|
3 |
BALL |
ASTM A351 CF8M/316 |
|
4 |
BALL SEAT |
PTFE |
|
5 |
BODY SEAL |
PTFE |
|
6 |
STEM |
ASTM A276 316 |
|
7 |
THRUST WASHER |
PTFE |
|
8 |
O-RING |
VITON |
|
9 |
STEM PACKING |
PTFE |
|
10 |
GLAND RING |
AISI 304 |
|
11 |
BEVEL WASHER |
AISI 304 |
|
12 |
NUT |
AISI 304 |
|
13 |
SPRING WASHER |
AISI 304 |
|
14 |
NUT |
AISI 304 |
|
15 |
HANDLE |
AISI 304 |
|
16 |
HANDLE SLEEVE |
PVC |
|
17 |
LOCKING DEVICE(option) |
AISI 304 |
|
18 |
BLANK END |
ASTM A351 CF8M |
|
19 |
BOLT |
AISI 304 |
|
20 |
STOPPER |
AISI 304 |
|
SIZE |
øD |
L |
H |
H1 |
øA |
øB |
øE |
øG |
N |
T |
F |
W |
S |
øK1 |
øK2 |
R1 |
R2 |
|
|
NPS |
DN |
|||||||||||||||||
|
½〞 |
15 |
15 |
160 |
42.2 |
68 |
45 |
95 |
65 |
14 |
4 |
14 |
2 |
132 |
9 |
36 |
42 |
3 |
3 |
|
¾〞 |
20 |
20 |
178 |
48.4 |
75 |
58 |
105 |
75 |
14 |
4 |
16 |
2 |
132 |
11 |
42 |
50 |
3 |
3.5 |
|
1〞 |
25 |
25 |
191 |
55.3 |
110 |
66 |
115 |
85 |
14 |
4 |
16 |
2 |
160 |
11 |
42 |
50 |
3 |
3.5 |
|
1¼〞 |
32 |
32 |
208 |
63 |
118 |
76 |
140 |
100 |
18 |
4 |
16 |
2 |
160 |
14 |
50 |
70 |
3.5 |
4.5 |
|
1½〞 |
40 |
38 |
233 |
73.3 |
126 |
86 |
150 |
110 |
18 |
4 |
16 |
3 |
205 |
14 |
50 |
70 |
3.5 |
4.5 |
|
2〞 |
50 |
50 |
274 |
92.2 |
135.5 |
100 |
165 |
125 |
18 |
4 |
18 |
3 |
205 |
17 |
70 |
102 |
4.5 |
5.5 |